比重去石機簡介
比重去石機是河南全有機械專門針對糧食去石而研發生産的去石設備。也叫糧食去石機,适用大型糧倉、糧食收購站、糧食購銷社、糧食加工場、國家糧庫、糧油加工企業等場所,适用於水稻、高粱、小麥、玉米等谷物。比重去石機利用物料比重及懸浮速度的差别,借助氣流和篩面分離並(bìng)肩石的幹法處(chù)理機械。具有去石效果好、結構簡單、體積小和能耗低等優點。
比重去石機原理
比重去石機(stone separator by speeific gravity)根據糧粒與砂石比重和懸浮速度的不同,把糧食中的並(bìng)肩石(與糧粒形狀大小近似的砂石) 等重雜分離出來的機器。比重去石機具有去石效果好、結構簡單、體積小和能耗低等優點。糧食經過比重去石機一次清理,除石率大於95%,除磚瓦、泥塊率大於60%,而且丢失糧粒少,清除的砂石中含飽滿糧粒不超過100粒/千克。工作原理借助振動運動,調節氣流和調節篩面傾斜度來進行糧食和砂石的分離。糧食是由粒度和比重不同的顆粒組成的散粒體,在受到振動或以某種狀态運動時,各種顆粒會按照它們的比重、粒度、形狀和表面狀态的不同而分成不同的層次。比重去石機工作時,物料從進料鬥不斷進人去石篩面的中部.由於篩面的振動和穿過物料層氣流的作用,使顆粒間的孔隙度增大,物料處於流化狀态,促進瞭(le)自動分級,比重大的石子沉人底層與篩面接觸,比重小的糧食浮向上層,在重力、慣性力和連續進料的推動下,下滑到淨糧出口; 而比重大的石子在篩面振動系統慣性力和氣流的作用下,相對去石篩面上滑,經聚石區移向精選區。精選區的精選室由風機引進一股氣流.沿弧形通道向篩面前方反吹,将石子中含有的少量糧粒吹回聚石區,避免同石子一同排出。類型按使用氣流的方式分爲吹式和吸式兩種。吹式比重去石機由進料裝置、去石篩面、氣流系統和傳動機構等部分組成(圖)。篩體與風機外殼固定連接成一體,用吊杆懸吊在機架上,由偏心傳動機構帶動産生往複運動。去石締面是一塊沖有一排排魚鱗形篩孔的薄鋼闆.根據作用不同,分爲分離、聚石和精選三個區。魚鱗篩孔有單面凸起和雙面凸起兩種,篩孔口較小,糧粒不能通過,隻能使空氣按一定方向流動,並(bìng)阻止石子下滑。
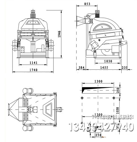
比重去石機結構圖紙
吹式比重去石機 1.進料口,2.進料鬥;3.進料調節手輪;4.導風闆, 5.出料口.6.進風調節裝置;7.風機;8.偏心傳動機構;9.出石口;10.精選室;11.吊杆;12.勻風闆: 13.去石篩面;14.緩沖勻流闆吸式比重去石機其結構與吹式基本相同,隻是自身不帶風機,在去石篩面上裝有氣密良好的吸風罩及吸風管,與加工廠風網的風機相接,作業時塵土不外揚,因而使用較多。爲簡化結構和便於(yú)制作,有些國家的吸式比重去石機的去石篩面多採(cǎi)用直徑爲l毫米的鋼絲編織而成,篩體用彈簧支承.由振動電機驅動。
比重去石機圖片
比重去石機技術參數
| 型号Model | TQSF63 | TQSF80 | TQSF100 | TQSF125 |
| 處理量Capacity(t/h) | 3~6 | 6~9 | 8~12 | 10~13 |
| 動力Power(kW) | 0.25×2 | 0.37×2 |
|
|
| 吸風量Air volume(m3/h) | 5000 | 6000 | 8000 | 12000 |
| 外形尺寸Exterior size (長×寬×高,毫米) (L×W×H,mm) | 1350×860 ×1800 | 1350×1050 ×1800 | 1400×1250 ×1920 | 1460×1500 ×1940 |
操作
1)開機前必須進行全面檢查,如存料箱壓力門,吸風管調節風門,轉動是否靈活,反吹風調節闆調節是否方便等
2)開機時應先關好風門,風機運轉後慢慢打開風門,同時開始進料。
①調節總風門,使物料鋪滿第二層篩面,並呈波浪狀“沸騰”狀态運動;
②調節出石端反吹風門,控制反吹風,使石子、小麥形成明顯分界線(積石區一般爲 5cm 左右),出石情況正常,石中含糧符合要求, 即爲正常工作狀态,反吹風風門離篩面距離約 15~20 mm 爲宜;
③補風:視物料“沸騰”狀态而進行調整。
3)停機時應先停止進料,然後停機,關閉風機,防止篩面上物料積存過多而引起篩面的堵塞,影響正常工作。
篩分篩選機械
- 石墨粉振動篩
- 灰乳轉篩
- 振網篩
- 水力篩
- 泥石分離機
- 平面往複篩
- 活性炭振動篩
- 砂石篩
- 盤選篩
- 除土篩
- 制砂滾動篩
- 金剛砂振動篩
- 鑄造篩砂機
- 陶粒砂成品篩
- 泥漿分砂機
- 分砂機
- 圓型振動篩
- 分級振動篩
- 醫藥振動篩
- 粉體篩分選篩
- 雙質體高頻微粉振動篩
- 顆粒分離振動篩
- 自動清理振動篩
- 磁懸浮振動篩
- 篩砂機
- 篩草機
- 篩料機
- 激振器式脫水篩
- 大型滾筒篩
- 糖,鹽業專用搖擺篩
- 圓盤搖擺篩
- 搖擺振動篩
- 超聲波直線篩
- 超聲波搖擺篩
- 垃圾滾筒篩
- 電動振篩機
- 方形振動篩
- 篩土機
- 圓形振動篩
- 重型振動篩
- 細粉篩
- 微粉篩
- 複振篩
- 選礦機
- 滾動篩
- 澱粉振動篩
- 顆粒振動篩
- 紅棗分級機
- 電動驗粉篩
- 食品用振動篩
- 石英砂振動篩
- 輥篩
- 砂石骨料振動篩
- 粉末振動篩
- 分級篩
- 洗煤振動篩
- 液體振動篩
- 振蕩篩
- 石子振動篩
- 塗料振動篩
- 釉料過濾篩
- 尿素分級篩
- 珍珠岩專用篩
- 碳素專用篩
- 振動砂石分離機
輸送機械
- 管式螺旋輸送機
- 移動式螺旋輸送機
- 垂直螺旋輸送機
- 蛟龍輸送機
- 粉煤灰輸送機
- 冷卻輸送機
- 闆式鏈條輸送機
- 耐高溫輸送機
- 食品級輸送機
- 折疊皮帶機
- 水冷螺旋輸送機
- 闆式輸送機
- 拉鏈機
- 振動整列輸送機
- 礦用輸送機
- 波紋擋邊輸送機
- 瀝水鏈闆機
- 電機振動水平輸送機
- 鍋爐刮闆除渣機
- 無軸螺旋輸送機
- 污泥輸送機
- 刮闆機(刮闆輸送機)
- 鏈鬥輸送機
- 伸縮式皮帶輸送機
- 真空上料機
- 帶式輸送機
- 鱗闆機
- 移動式皮帶輸送機
- 大傾角輸送機
- 皮帶輸送機
- 螺旋輸送機
- 振動輸送機
- 鏈闆輸送機
- 滾筒輸送機
- 網帶輸送機
- 埋刮闆輸送機
提升機械
- 雙鬥提升機
- 翻鬥提升機
- TD鬥式提升機
- TH提升機
- NE型提升機
- TB垂直鬥式提升機
- td160鬥式提升機
- 垂直上料機
- 水泥提升機
- 螺旋垂直提升機
- 單鬥提升機
- 畚鬥提升機
- 撈坑脫水鬥式提升機
- 挖鬥提升機
- 鬥式提升機(鬥提機)
- 闆鏈鬥式提升機
- 環鏈鬥式提升機
- 皮帶鬥式提升機
- 垂直提升機
- Z型提升機
- 垂直振動提升機
- 物料提升機
給料機械
- 無塵投料站
- 鏈條式提升機
- 喂料機
- 自動給料機
- 螺旋給料機
- 給礦機
- 雙螺旋給料機
- 圓盤式給料機
- 棒條振動給料機
- 槽式給料機
- 擺式給料機
- 活化振動給煤機
- 振動放礦機
- 闆式喂料機
- 甲帶給料機
- 電磁振動給料機
- 電機振動給料機
- 往複式給料機
- 圓盤給料機
- 螺旋給料機
- 闆式給料機
- 振動給料鬥
- 葉輪給料機
配件及其他
相關文章:
專家咨詢 全有機(jī)械爲您解答有關(guān)比重去石機(jī)各種疑惑
我們有著(zhe)專業的技術團隊,爲您提供求購、使用、維護、參(cān)數等方面的疑問解答,可在線聯系或者電話聯系!








