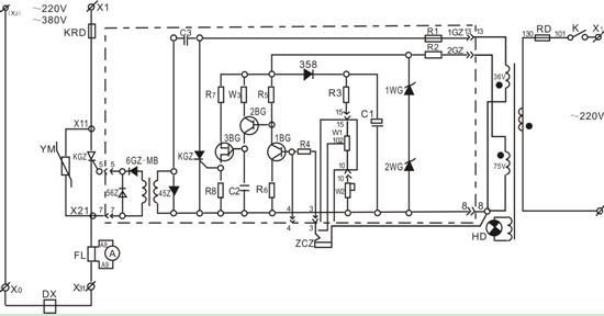
電磁振動給料機廠家調整控制器振動大小的接線圖
首先把主機電流調節旋鈕順時針方向調至大,把風機電流調節旋鈕逆時針調至小。本裝置使用電壓的交流220V,如有不符請加裝調壓器,功率≥500VA。
本裝置有7條引出線,兩條紅色線串聯接入主機電流檢測回路;兩條綠色線串聯接入風機電流測量回路;黃色線接電源火線;藍色線爲輸出線;黑色線爲輸入和輸出共用線,接配電櫃零線。
“控制器裏有可控矽,有電位器可調”就是爲這一目的來的:調整電位器,就是調整電阻,在電路中調整瞭可控矽的導通角,也就是調整瞭供給電磁鐵的電流,使振動的大小得到調節,從而調節瞭給料的速度。
按正常開機順序啓動空壓機→脈沖閥→分析機→風機→主機→給料機,選擇手動給料注意主機電流不可超過其額定電流(參照電機銘牌),運轉一段時間風機電流開始下降,待主機開始有落料時記錄風機實時電流值I,停止給料,待主機電流大於主機空載電流 10A左右時停掉主機。
爲預防主機因突發原因(落入異物等)導緻主機卡死,從而扭矩劇增損壞減速箱,燒毀電機,設備採用聯軸器傳遞力矩,此時聯軸器内尼龍銷會迅速斷開,電機立即處於空載狀态,主機電流驟減,給料量會劇增,短時間内就有可能堵死主機,爲此該裝置設有保護電路,具體調整方法如下:確認(a),(b),(c),(d)項目已經調整完成設備運轉正常,停掉主機,取出主機和減速機連軸器内所有的尼龍棒,開動主機(此時應確認風機電流必須大於落料時設定的電流值),用小起子逆時針調節裝置後面的電位器,直至給料機停止給料即可。
繼續開機,觀察系統工況,如有落料可向右微調風機電流調節鈕;如發現主機電流過大時可向左(逆時針方向)微調主機電流調節鈕,運行1-2小時,主機不過載、不落料、調試完畢,鎖緊調節鈕上的螺母即可。
給料速度和電源頻率、磁力的大小、幅度有關,由於一般使用工頻(50HZ),所以往往採用調節供給電磁鐵的電流(或電壓)來實現。
其餘設備暫不停止,待脈沖噴吹10分鍾左右,風機電流達到大時,通過關閉管道上的風擋把風機電流控制到接近落料時的風機電流值I;啓動主機,主機啓動結束打開給料控制器選擇自動放料、順時針調節風機電流調節鈕,使給料機控制器輸出電流≤0.5A或 =0A,然後打開風擋,此時連續給料,主機電流急速上升,待主機電流達到或接近額定電流時,逆時針調節主機電流調節鈕,使給料機輸出電流≤0.2A或=0A,粗調已經完成。
電磁振動給料機是利用電磁的方法使給料鬥以振動,使料(一般是屬於顆粒狀的)單向運動,以達到均勻給料的目的。給料的速度應和使用達到相對平衡。爲此就需要對給料速度進行調節。
本裝置有7條引出線,兩條紅色線串聯接入主機電流檢測回路;兩條綠色線串聯接入風機電流測量回路;黃色線接電源火線;藍色線爲輸出線;黑色線爲輸入和輸出共用線,接配電櫃零線。
“控制器裏有可控矽,有電位器可調”就是爲這一目的來的:調整電位器,就是調整電阻,在電路中調整瞭可控矽的導通角,也就是調整瞭供給電磁鐵的電流,使振動的大小得到調節,從而調節瞭給料的速度。
希望以上介紹能給大家有所幫(bāng)助,想要瞭(le)解我公司其他産品歡迎訪問我們的網站。
按正常開機順序啓動空壓機→脈沖閥→分析機→風機→主機→給料機,選擇手動給料注意主機電流不可超過其額定電流(參照電機銘牌),運轉一段時間風機電流開始下降,待主機開始有落料時記錄風機實時電流值I,停止給料,待主機電流大於主機空載電流 10A左右時停掉主機。
爲預防主機因突發原因(落入異物等)導緻主機卡死,從而扭矩劇增損壞減速箱,燒毀電機,設備採用聯軸器傳遞力矩,此時聯軸器内尼龍銷會迅速斷開,電機立即處於空載狀态,主機電流驟減,給料量會劇增,短時間内就有可能堵死主機,爲此該裝置設有保護電路,具體調整方法如下:確認(a),(b),(c),(d)項目已經調整完成設備運轉正常,停掉主機,取出主機和減速機連軸器内所有的尼龍棒,開動主機(此時應確認風機電流必須大於落料時設定的電流值),用小起子逆時針調節裝置後面的電位器,直至給料機停止給料即可。
繼續開機,觀察系統工況,如有落料可向右微調風機電流調節鈕;如發現主機電流過大時可向左(逆時針方向)微調主機電流調節鈕,運行1-2小時,主機不過載、不落料、調試完畢,鎖緊調節鈕上的螺母即可。
給料速度和電源頻率、磁力的大小、幅度有關,由於一般使用工頻(50HZ),所以往往採用調節供給電磁鐵的電流(或電壓)來實現。
其餘設備暫不停止,待脈沖噴吹10分鍾左右,風機電流達到大時,通過關閉管道上的風擋把風機電流控制到接近落料時的風機電流值I;啓動主機,主機啓動結束打開給料控制器選擇自動放料、順時針調節風機電流調節鈕,使給料機控制器輸出電流≤0.5A或 =0A,然後打開風擋,此時連續給料,主機電流急速上升,待主機電流達到或接近額定電流時,逆時針調節主機電流調節鈕,使給料機輸出電流≤0.2A或=0A,粗調已經完成。
電磁振動給料機是利用電磁的方法使給料鬥以振動,使料(一般是屬於顆粒狀的)單向運動,以達到均勻給料的目的。給料的速度應和使用達到相對平衡。爲此就需要對給料速度進行調節。
上一篇:多軸螺旋輸送機結構工作原理圖
下一篇:粉料皮帶給料機在生産使用過程的優勢
相關文章:
相信你還想找這些!
篩分篩選機械
- 石墨粉振動篩
- 灰乳轉篩
- 振網篩
- 水力篩
- 泥石分離機
- 平面往複篩
- 活性炭振動篩
- 砂石篩
- 盤選篩
- 除土篩
- 制砂滾動篩
- 金剛砂振動篩
- 鑄造篩砂機
- 陶粒砂成品篩
- 泥漿分砂機
- 分砂機
- 圓型振動篩
- 分級振動篩
- 醫藥振動篩
- 粉體篩分選篩
- 雙質體高頻微粉振動篩
- 顆粒分離振動篩
- 自動清理振動篩
- 磁懸浮振動篩
- 篩砂機
- 篩草機
- 篩料機
- 激振器式脫水篩
- 大型滾筒篩
- 糖,鹽業專用搖擺篩
- 圓盤搖擺篩
- 搖擺振動篩
- 超聲波直線篩
- 超聲波搖擺篩
- 垃圾滾筒篩
- 電動振篩機
- 方形振動篩
- 篩土機
- 圓形振動篩
- 重型振動篩
- 細粉篩
- 微粉篩
- 複振篩
- 選礦機
- 滾動篩
- 澱粉振動篩
- 顆粒振動篩
- 紅棗分級機
- 電動驗粉篩
- 食品用振動篩
- 石英砂振動篩
- 輥篩
- 砂石骨料振動篩
- 粉末振動篩
- 分級篩
- 洗煤振動篩
- 液體振動篩
- 振蕩篩
- 石子振動篩
- 塗料振動篩
- 釉料過濾篩
- 尿素分級篩
- 珍珠岩專用篩
- 碳素專用篩
- 振動砂石分離機
輸送機械
- 管式螺旋輸送機
- 移動式螺旋輸送機
- 垂直螺旋輸送機
- 蛟龍輸送機
- 粉煤灰輸送機
- 冷卻輸送機
- 闆式鏈條輸送機
- 耐高溫輸送機
- 食品級輸送機
- 折疊皮帶機
- 水冷螺旋輸送機
- 闆式輸送機
- 拉鏈機
- 振動整列輸送機
- 礦用輸送機
- 波紋擋邊輸送機
- 瀝水鏈闆機
- 電機振動水平輸送機
- 鍋爐刮闆除渣機
- 無軸螺旋輸送機
- 污泥輸送機
- 刮闆機(刮闆輸送機)
- 鏈鬥輸送機
- 伸縮式皮帶輸送機
- 真空上料機
- 帶式輸送機
- 鱗闆機
- 移動式皮帶輸送機
- 大傾角輸送機
- 皮帶輸送機
- 螺旋輸送機
- 振動輸送機
- 鏈闆輸送機
- 滾筒輸送機
- 網帶輸送機
- 埋刮闆輸送機
提升機械
- 雙鬥提升機
- 翻鬥提升機
- TD鬥式提升機
- TH提升機
- NE型提升機
- TB垂直鬥式提升機
- td160鬥式提升機
- 垂直上料機
- 水泥提升機
- 螺旋垂直提升機
- 單鬥提升機
- 畚鬥提升機
- 撈坑脫水鬥式提升機
- 挖鬥提升機
- 鬥式提升機(鬥提機)
- 闆鏈鬥式提升機
- 環鏈鬥式提升機
- 皮帶鬥式提升機
- 垂直提升機
- Z型提升機
- 垂直振動提升機
- 物料提升機
給料機械
- 無塵投料站
- 鏈條式提升機
- 喂料機
- 自動給料機
- 螺旋給料機
- 給礦機
- 雙螺旋給料機
- 圓盤式給料機
- 棒條振動給料機
- 槽式給料機
- 擺式給料機
- 活化振動給煤機
- 振動放礦機
- 闆式喂料機
- 甲帶給料機
- 電磁振動給料機
- 電機振動給料機
- 往複式給料機
- 圓盤給料機
- 螺旋給料機
- 闆式給料機
- 振動給料鬥
- 葉輪給料機













